9732aadbceu05lvj
 
                 
                 
                 
                 
                 
                 
                 
                 
                 
                 
                Вентилятор вытяжной кухонный EF 250Е Shuft предназначен для удаления воздуха с повышенным содержанием влаги и жира, например, из кухонь.
Преимущества:
Монтаж:
Вентиляторы поставляются готовыми к подключению. Могут устанавливаться в любом положении, в соответствии с направлением потока воздуха (в соответствии со стрелкой на корпусе вентилятора).
Необходимо предусматривать доступ для обслуживания вентилятора.
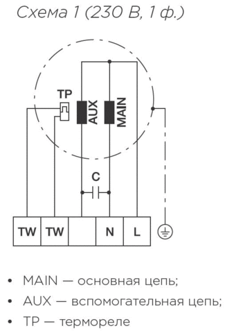
Подключение электропитания:
На корпусе вентиляторов находится клеммная коробка для подключения к электрической сети. Необходимо, чтобы подключение вентиляторов выполнял только квалифицированный персонал и в соответствии со схемой подключения.
Уход:
Вентиляторы не требуют специального технического ухода. Единственное требование — чистка крыльчатки.
Сертификат: Декларация о соответствии ТР ТС.

| Тип оборудования | Вентилятор канальный | 
| Серия | EF | 
| Производитель | Shuft | 
| Цвет | Серебристый | 
| Страна | Германия | 
| Гарантия | 3 года | 
| Тип конструкции вентилятора | Центробежный | 
| Назначение | для круглых каналов | 
| Степень защиты | IP55 | 
| IP электродвигателя | IP55 | 
| Материал | Оцинкованная сталь | 
| Напряжение электропитания | 220-240 В/ 1 фазы/ 50 Гц | 
| Мощность (кВт) | 0.448 | 
| Макс. производительность, м3/час | 2490 | 
| Частота вращения, об/мин | 2940 | 
| Макс. напор, Па | 790 | 
| Функция реверса направления потока | Нет | 
| Защита от перегрева | Да | 
| Макс. температура перемещаемого воздуха, °С | от -25 до +80 °С | 
| Рабочий ток, А | 1.97 | 
| Уровень шума, дБ | 71 | 
| Посадочный размер канала, мм | 250 | 
| Мощность (Вт) | 448 | 
| Регулировка скорости вращения вентилятора | Да | 
| Длина товара, мм | 592 | 
| Ширина товара, мм | 315 | 
| Высота товара, мм | 561 | 
| Вес товара, кг | 47.5 |