9732aadbceu05lvj Вентилятор Shuft IEF 250E кухонный вытяжной купить по низкой цене. Доставка по Москве и всей России!

Вентилятор Shuft IEF 250E кухонный вытяжной

Вентилятор Shuft IEF 250E кухонный вытяжной предназначены для удаления воздуха с повышенным содержанием влаги и жира, например, из кухонь.
209 030 руб
318 611 руб
Товар в наличии
Артикул
400525
Цена
С учетом НДС
Самовывоз
Бесплатно
    Расчитываем доставку...

    Вентилятор вытяжной кухонный IEF 250E Shuft предназначен для удаления воздуха с повышенным содержанием влаги и жира, например, из кухонь.

     

    Преимущества:

    • Изменяемая конфигурация выброса воздуха.
    • Корпус изготовлен из листовой оцинкованной стали с теплоизоляцией 30 мм.
    • Корпус имеет специальную форму поддона, чтобы собирать небольшие количества конденсата или жира.
    • Высокоэффективная крыльчатка с назад загнутыми лопатками
    • Высококачественные двигатели расположены вне воздушного потока.
    • Высококачественные шариковые подшипники, не требующие обслуживания.
    • Регулирование скорости 0–100% путем изменения напряжения (тиристорные и автотрансформаторные регуляторы).
    • Встроенные термоконтакты или термореле.

     

    Монтаж: Вентиляторы поставляются готовыми к подключению. Могут устанавливаться в любом положении, в соответствии с направлением потока воздуха (в соответствии со стрелкой на корпусе вентилятора). Необходимо предусматривать доступ для обслуживания вентилятора.

     

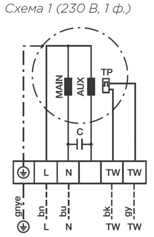
    Подключение электропитания: На корпусе вентиляторов находится клеммная коробка для подключения к электрической сети. Необходимо, чтобы подключение вентиляторов выполнял только квалифицированный персонал и в соответствии со схемой подключения.

     

    Уход: Вентиляторы не требуют специального технического ухода. Единственное требование — чистка крыльчатки.

     

    Сертификат: Декларация о соответствии ТР ТС.

    Тип товара Вентилятор канальный
    Серия IEF
    Производитель Shuft
    Цвет Серебристый
    Страна Германия
    Гарантия 3 года
    Тип конструкции вентилятора Центробежный
    Назначение для квадратных каналов
    Степень защиты IP54
    IP электродвигателя IP54
    Материал Оцинкованная сталь
    Напряжение электропитания 220-240 В/ 1 фазы/ 50 Гц
    Мощность (кВт) 0.454
    Макс. производительность, м3/час 2610
    Частота вращения, об/мин 2950
    Макс. напор, Па 790
    Функция реверса направления потока Нет
    Защита от перегрева Да
    Макс. температура перемещаемого воздуха, °С от -25 до +80 °С
    Рабочий ток, А 1.99
    Уровень шума, дБ 73
    Посадочный размер канала, мм 500x500
    Мощность (Вт) 454
    Регулировка скорости вращения вентилятора Да
    Длина товара, мм 500
    Ширина товара, мм 500
    Высота товара, мм 500
    Вес товара, кг 44

    Запрос актуальной цены
    Настоящим подтверждаю, что я ознакомлен и согласен с условиями оферты и политики конфиденциальности.
    С помощью уведомлений о заказе можно не только получать актуальную информацию по заказу, но и иметь быстрый канал связи с магазином