9732aadbceu05lvj
Электрический нагреватель для круглых каналов предназначен для нагрева воздуха и используются в составе вентиляционных систем круглого сечения соответствующего диаметра.
Корпус воздухонагревателей выполнен из листовой стали с покрытием из цинка, а нагревательные элементы — из нержавеющей стали.
Все модели снабжены резиновым уплотнением на соединительных патрубках.
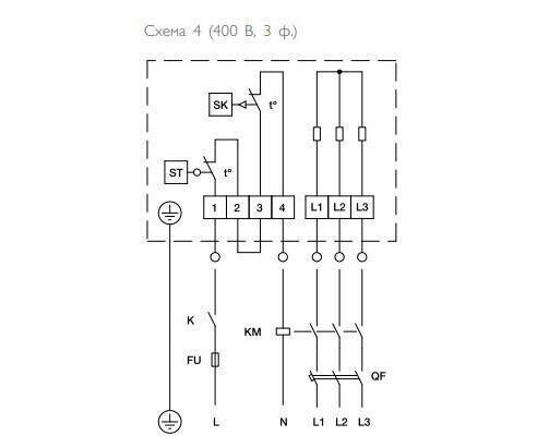
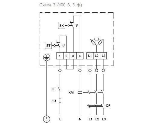
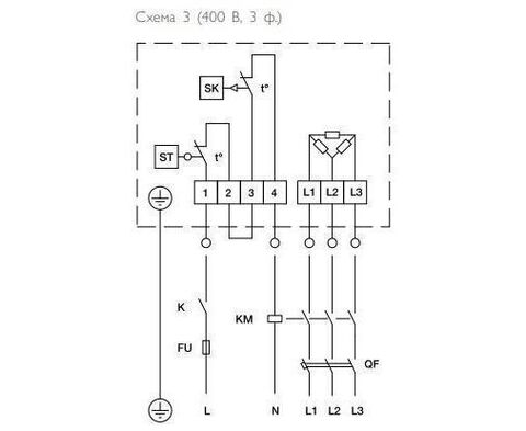
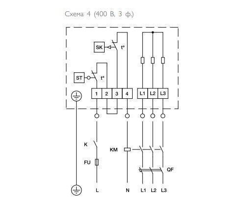
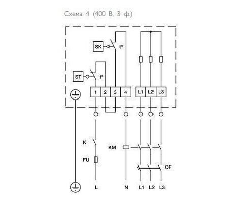
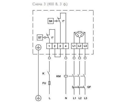
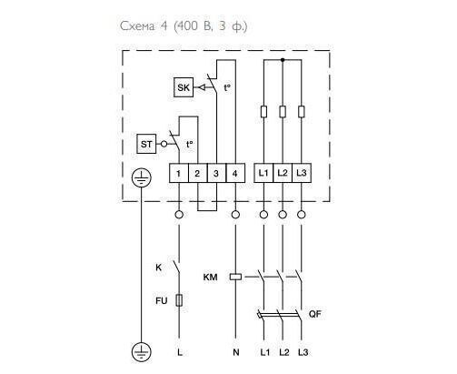
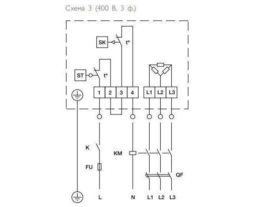
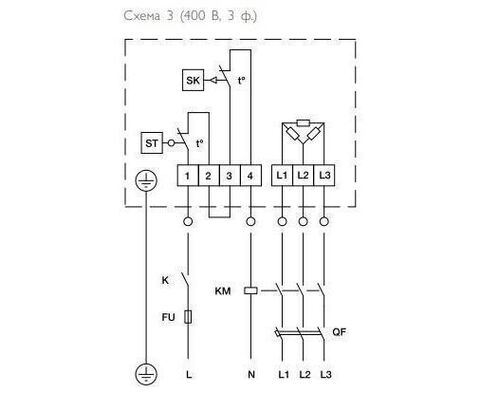
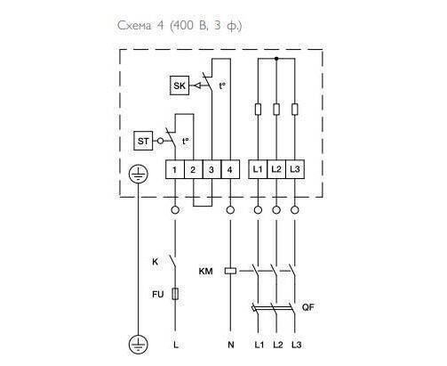
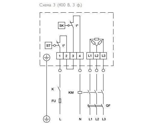
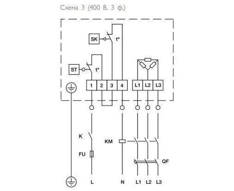
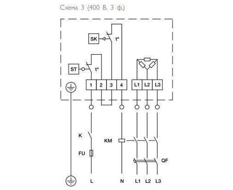
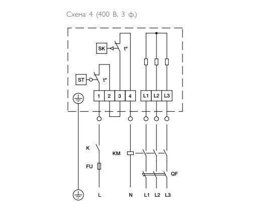
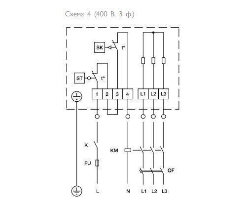
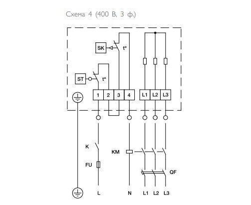
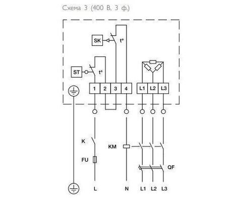
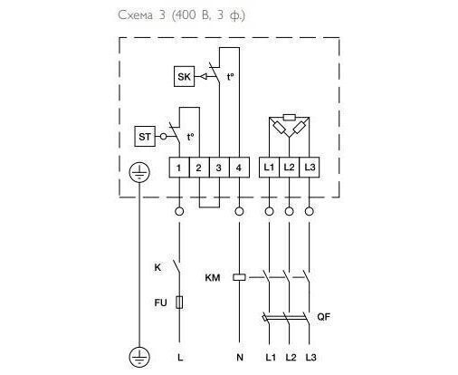
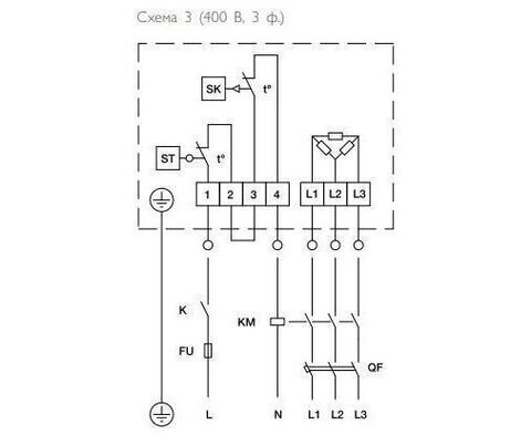
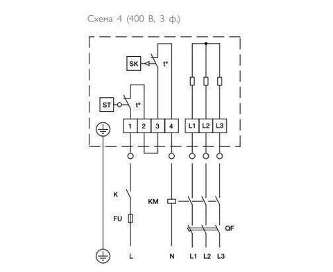
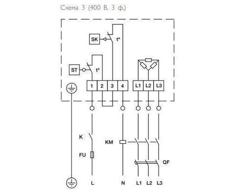
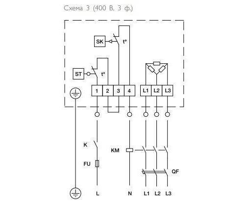
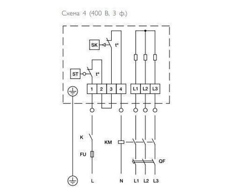
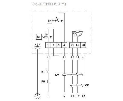
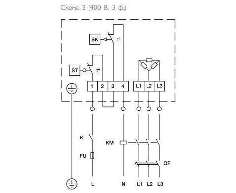
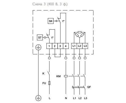
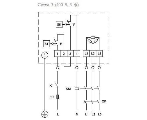
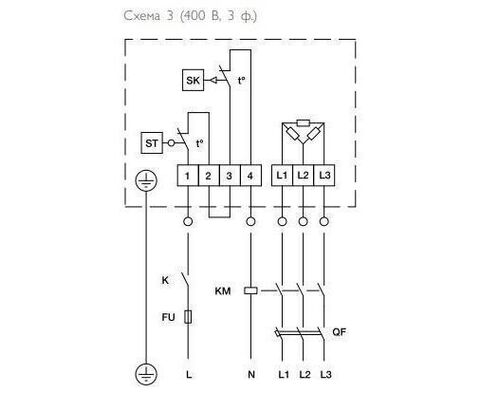
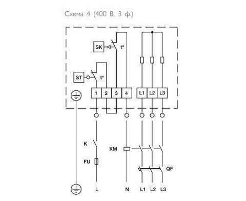
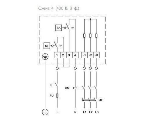
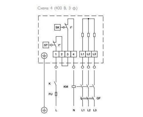
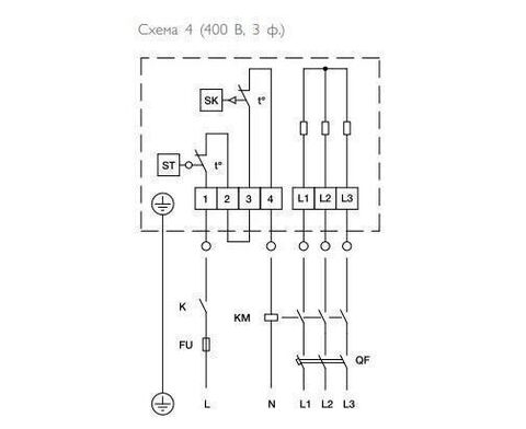
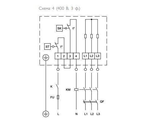
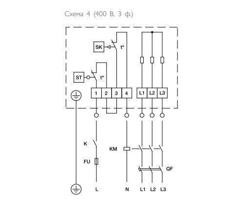
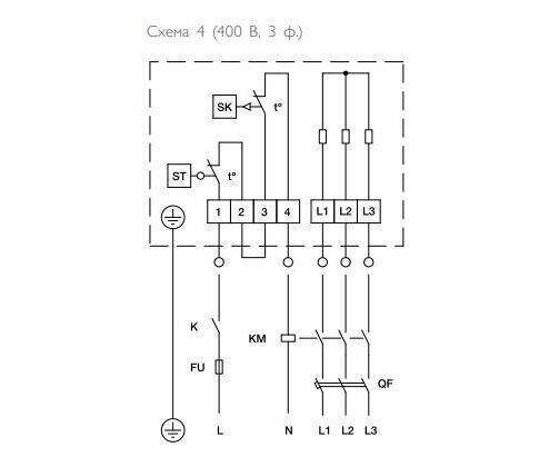
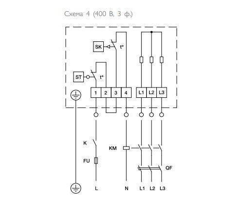
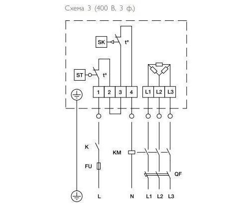
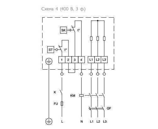
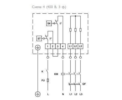
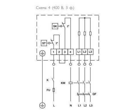
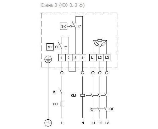
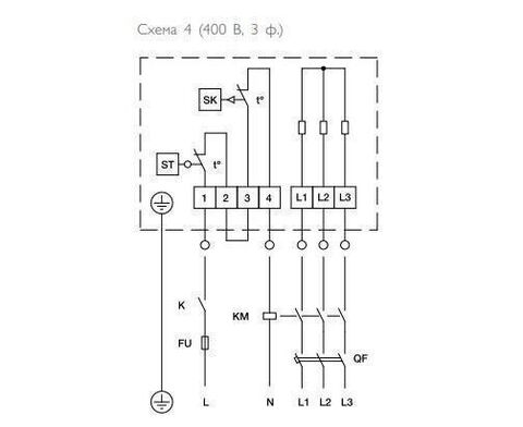
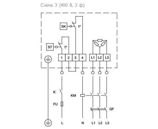
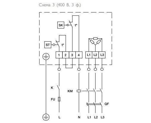
Нагреватель оборудован двухступенчатой защитой от перегрева. Управление может осуществляться комна работать с внешним электронным регулятором температуры РТК или EKR.
Минимальный расход воздуха соответствует минимальной скорости потока 1,5 м/с. Канальный воздухонагреватель обеспечивает максимальную температуру воздуха на выходе +50°С.
Преимущества:
| Тип товара | Электрический нагреватель | 
| Серия | ZEA | 
| Производитель | Zilon | 
| Цвет | Серебристый | 
| Страна | Россия | 
| Гарантия | 1 год | 
| Назначение | для круглых каналов | 
| Степень защиты | IP44 | 
| Материал | Оцинкованная сталь | 
| Напряжение электропитания | 380–415 В/ 3 фазы/ 50 Гц | 
| Мощность (кВт) | 12 | 
| Макс. производительность, м3/час | 690 | 
| Защита от перегрева | Да | 
| Рабочий ток, А | 17.3 | 
| Посадочный размер канала, мм | 400 | 
| Тип нагревательного элемента | Трубчатый электронагреватель (ТЭН) | 
| Длина товара, мм | 370 | 
| Ширина товара, мм | 400 | 
| Высота товара, мм | 450 | 
| Вес товара, кг | 14 | 
 
     
     
     
    